Exmark Lazer Z Commercial Zero Turn Mower 72IN, 35HP

Exmark Model Number. ExMark Lazer Z Model and Serial / Vin Number Location YouTube How to FIND Your Exmark Model Number > Exmark Parts Diagrams *S/N 919,999 and Below (2010 and Prior Models) *S/N 920,000-989,999 (2011 Models). Ordering OEM parts is now easier than ever before.

Exmark Mower Serial Number Location
Exmark Mower Serial Number Location from megabestassistant.web.fc2.com

Shop genuine Exmark parts for your lawnmower online 24/7/365 and have them delivered directly to your shop or home 855-669-7278 My Store Ann Arbor Cedar Springs Clarkston Farmington Hills

Exmark Mower Serial Number Location

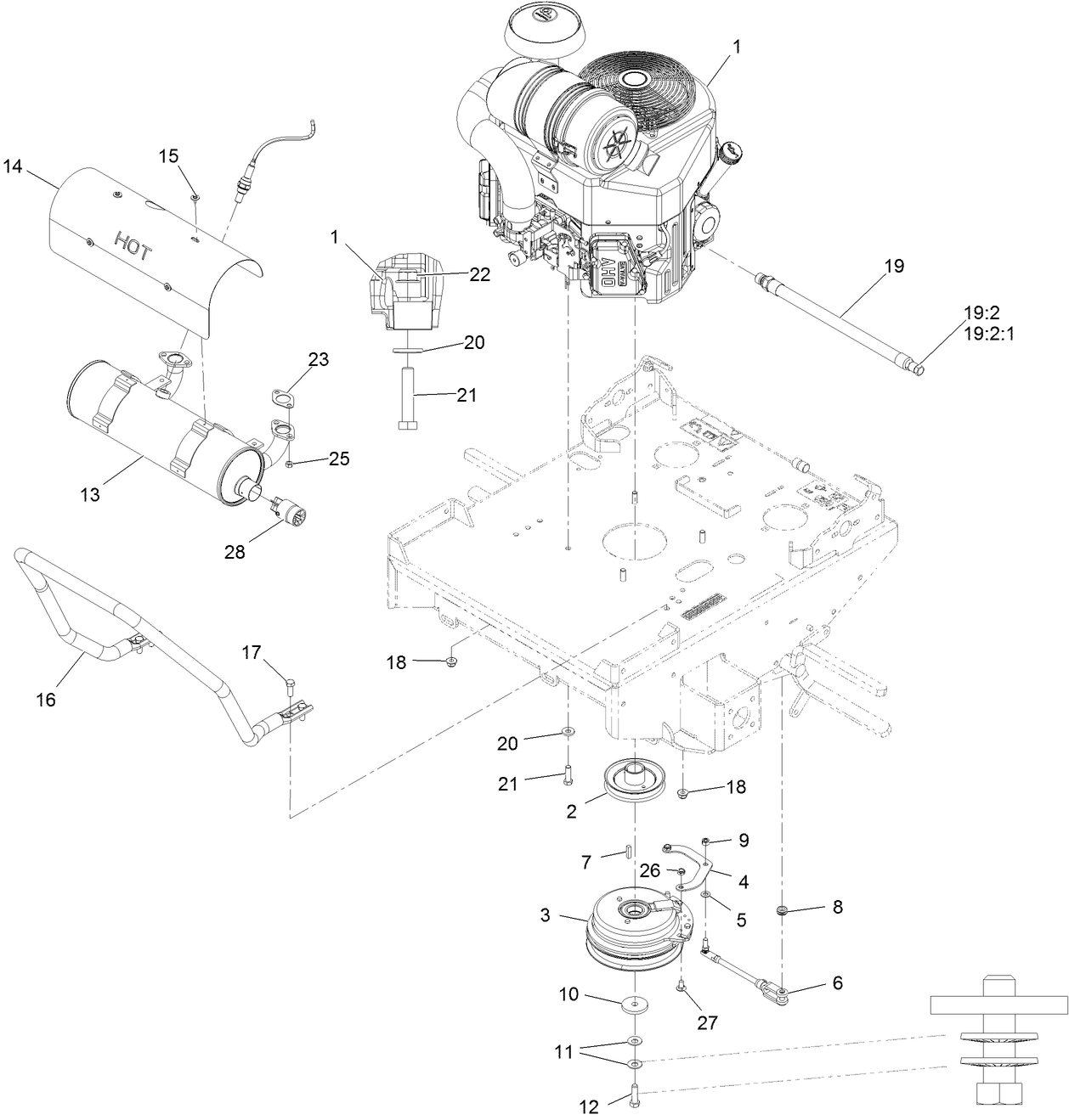
Repair parts and diagrams for RAE708GEM48300 - Exmark 48" Radius E-Series Zero-Turn Mower, Exmark 708 (SN: 402082300 - 404314158) (2018) The Right Parts, Shipped Fast! Reviews 855-669-7278 My Store Ann Arbor Cedar Springs Clarkston Farmington Hills Enter your model number in the search box above or just choose from the list below

Exmark LZ25KC603 Exmark 60" Lazer Z ZeroTurn Mower, 25hp Kohler (SN. If you need assistance, please use our online chat feature at the bottom right corner of the page, or leave us a message if we are offline and we will follow up within 24 hours. Exmark Commercial Walk-Behind Mowers Model & Serial Number Location

Exmark Serial Number Year Chart. Enter your model number in the search box above or just choose from the list below Shop genuine Exmark parts for your lawnmower online 24/7/365 and have them delivered directly to your shop or home